产品介绍:
LG-JM-PG 系列微孔膜气体过滤器,按GMP 标准设计制造,壳体选用优质进口不锈钢(304/316L)材料,具有高效、节能、安全、可靠等优点, 广泛应用于发酵空气,针剂用空气、惰性气体的净化。其专为制药工业,食品工业的储罐气体交换时达到除菌之目的而设计。
工作原理:
气流从入口进入设备,滤芯支撑管均匀分布气流,流速大大降低,大的杂质被粗分离沉降到过滤器底部。气流经过滤芯后,大于分离精度的杂质被滤芯捕获,净化后的气流从出口流出过滤器。

产品特点:
• 适用于从气体中除去固体颗粒、液滴及油成分的工况;
• 过滤器使用优良、可靠的滤芯,以保证设备的工作性能;
• 滤芯材料有多种选择,根据不同要求选择不同的滤芯;
• 过滤精度高、耐腐蚀,最高过滤精度可达0.01um;
• 除去气体中的固体杂质、水、油成分及无菌级过滤标准;
• 独特的密封设计,保证了滤芯的密封性能和刚度;
• 精确的压降计算,有效减少了能量的损失;
• 细致的细节设计,增强了操作维护的便捷性;
• 过滤设备结构设计紧凑合理,占地面积小,安装方便。
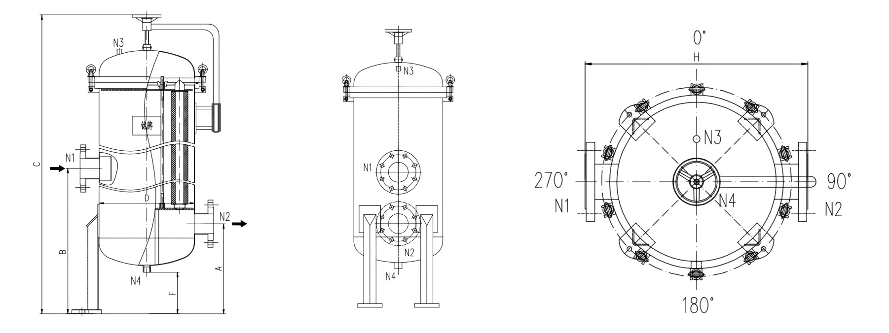
产品结构:

产品技术参数:
• 过滤精度从0.01um到1000um;
• 适用介质:空气、压缩空气、氮气、氢气、二氧化碳、天然气等气体;
• 压力等级可达到PN100;
• 滤芯种类:折叠膜滤芯、金属粉末烧结滤芯、金属烧结网滤芯、金属烧结毡滤芯;
• 滤芯长度: 10"、20"、40";
• 过滤器材质:碳钢、不锈钢、双相钢、钛材、碳钢衬胶;
• 过滤器设计标准:GB/T 150-2011;
产品应用领域:
气体过滤器在化工、石油、煤炭、冶金、电力、化肥、水泥、纺织、食品、轻工等工业以及环境保护工程中有着广泛的应用。
产品照片:

参数表
